注意:访问本站需要Cookie和JavaScript支持!请设置您的浏览器! 打开购物车 查看留言付款方式联系我们
初中电子 单片机教材一 单片机教材二
搜索上次看见的商品或文章:
商品名、介绍 文章名、内容
首页 电子入门 学单片机 免费资源 下载中心 商品列表 象棋在线 在线绘图 加盟五一 加入收藏 设为首页
本站推荐:
光电耦合器组成的脉冲电路
文章长度[7561] 加入时间[2006/7/1] 更新时间[2026/1/28 9:30:27] 级别[3] [评论] [收藏]

光电耦合器组成的脉冲电路
这里介绍的光电耦合器是由发光二极管和光敏三极管组合起来的器件,发光二极管是把输入边的电信号变换成相同规律变化的光,而光脉敏三极管是把光又重新变换成变化规律相同的电信号,因此,光起着媒介的作用。由于光电耦合器抗干扰能力强,容易完成电平匹配和转移,又不受信号源是否接地的限制。所以应用日益广泛。
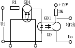
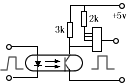
一、用光电耦合器组成的多谐振荡电路
用光电耦合器组成的多谐振荡电路见图1。
当图1(a)刚接通电源Ec时,由于UF随C充电而增加,直到UF≈1伏时,发光二极管达到饱和,接着三极管也饱和,输出Uo≈Ec。
三极管饱和后,C放电(由C→F→E1→Er和由C→RF→+Ec→Re两条路径放电),uo减小,二极管在C放电到一定程度后就截止,而三极管把储存电荷全部移走后,接着也截止,uo为零。三极管截止后,电源Ec又对C充电,重复上述过程,得出图示的尖峰输出波形,其周期,为(当RF》Re时):
T=C(RF+Re)In2
图1(b)是原理相同的另一种形式电路。

图1、用光电耦合的多谐振荡器
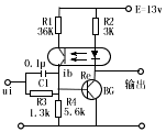
二、用光电耦合器组成的双稳态电路
用光电耦合器组砀双稳态电路如图2所示。
电路接通电源后的稳态是BG截止,输出高电位。在触发正脉冲作用下,ib 增加使BG进入放大状态,形成ib↑→if↑→ib↑↑,结果BG截止,这种电路比普通的触发顺具有更高的抗干扰能力。若设BG的极限电流Ic=6毫安,则R2=取为:
R2≥(13-1)/(6×10)=24欧
限流电阻R1可按下式计算
R1≥(E-IbmRce2min)/Ibm
式中:Ibm是晶体管的最大缌鳎琑ce2min是光敏三极管集射间的最小电阻值。

图2、用光电耦合的双稳态电路
三、用光电耦合器组成的整形电路
由于用光电耦合器组成的脉冲耦合电路,其前后沿时间都比较大,因此在耦合器后面接一级晶体管的整形放大电路。见表一列出几种整形电路的应用实例。
表一
用光电耦合器组成的整形电路
 
光电耦合-晶体管整形电路
光电耦合-固定组件整形
反相整形
快速整形
电路
说明 这是一种施密特整形电路,因为不管输入是失真方波、正弦波还是锯齿波,在输出端均得到方波 光电耦合顺的输出接一与非门时行整形 光电耦合器的输出端后面连接两级与非门,构成反相整形 光电耦合器的输出端后面连接两只晶体管,构成同相整形电路
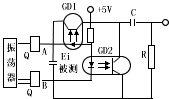
四、用光电耦合器组成的斩波电路
用光电耦合器组成的斩皮电路见表二
表二
用光电耦合器组成的斩波电路
 
直接斩波电路
隔离式斩波电路(I)
隔离式斩波电路(II)
电路
说明 输出Ei被测电压,经斩波取样后送到编码器里进行编码测量,当A点是低电位,B点为高电位时,GD1导通,GD2截止,被测电压Ei直接送到输出端,反之,A点高电位,B点低电位,GD1截止,GD2导通,C经GD2放电,输出端回到零。
比普通的晶体管或场效应管斩波器具有更高精度
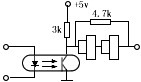
当斩波脉冲输入时,BG导通,则GD导通,输入边的ui传至输出边,而uo正比于ui但相位相反,反之,斩波脉冲为零时,GD截止,uo为高电平,比普通用变压器隔离的调制器,精度高,因变压器电压不能太大,引起输出脉冲波顶不平。 用两只GD1及GD2。其中GD1作开关器,当斩波脉冲输入时,GD1导通,ui反相传至GD2的输出边,使uo与输入ui及斩波脉冲隔离起来。

1、 本站不保证以上观点正确,就算是本站原创作品,本站也不保证内容正确。
2、如果您拥有本文版权,并且不想在本站转载,请书面通知本站立即删除并且向您公开道歉! 以上可能是本站收集或者转载的文章,本站可能没有文章中的元件或产品,如果您需要类似的商品请 点这里查看商品列表!
本站协议 | 版权信息 |  关于我们 |  本站地图 |  营业执照 |  发票说明 |  付款方式 |  联系方式
深圳市宝安区西乡五壹电子商行——粤ICP备16073394号-1;地址:深圳西乡河西四坊183号;邮编:518102
E-mail:51dz$163.com($改为@);Tel:(0755)27947428
工作时间:9:30-12:00和13:30-17:30和18:30-20:30,无人接听时可以再打手机13537585389