| 注意:访问本站需要Cookie和JavaScript支持!请设置您的浏览器! • 打开购物车 • 查看留言 • 付款方式 • 联系我们 |
![]() |
| 首页 | 电子入门 | 学单片机 | 免费资源 | 下载中心 | 商品列表 | 象棋在线 | 在线绘图 | 加盟五一 | 加入收藏 | 设为首页 |
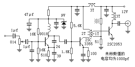
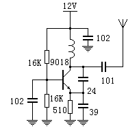
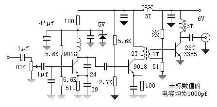
| 选择分类:当前分类——电子制作 相关联或者相类似的文章: 用LM386制作半双工对讲机 (660) 高频振荡金属探测器制作(657) 四种使用PIC单片机的电子调速器(640) 简单的FM调频发射制作实验 (620) 简单的停电自锁开关(609) 100米四键遥控模块(607) 自制全自动交流稳压器(586) 带短路保护功能的50W电子变压器(583) 200米四键遥控模块(580) 五五五电路应用一例(574) 设计高性能65W双路输出1/4砖(565) “知了”叫声模拟器(564) 几款无线话筒电路(547) 小型立体声调频发射机(547) 电子驱蚊器(545) 专访中国农民制造超轻型飞机第一人——刘亦兵 (538) 利用TL431作大功率可调稳压电源(509) FY0202解码与管理一体化芯片简介(485) 基本型50W可调光电子变压器(464) 全自动交流稳压电源(462) 首页 前页 后页 尾页 本站推荐: | 简单的FM调频发射制作实验
1、 本站不保证以上观点正确,就算是本站原创作品,本站也不保证内容正确。 2、如果您拥有本文版权,并且不想在本站转载,请书面通知本站立即删除并且向您公开道歉! |
|
本站协议 |
版权信息 |
关于我们 |
本站地图 |
营业执照 |
发票说明 |
付款方式 |
联系方式
深圳市宝安区西乡五壹电子商行——粤ICP备16073394号-1;地址:深圳西乡河西四坊183号;邮编:518102 E-mail:51dz$163.com($改为@);Tel:(0755)27947428 工作时间:9:30-12:00和13:30-17:30和18:30-20:30,无人接听时可以再打手机13537585389 |